SXMPi 30 IMP H PC 2xM12-5
Part no.: 10.02.02.04097
Compact ejector with Condition Monitoring, power blow-off function and pneu. air-saving function
| Nozzle diameter | 3 (mm) |
| Control valve | Impulse valve |
| Pneumatic connection | Horizontal |
| Electrical connection | 2xConnect M12, 5+5 pol |
| Communication | IO-Link (Class A) |
| Suction rate (max.) | 220 (l/min) |
| Air consumption suction | 380 (l/min) |
| Pressure range (operating pressure) [bar] | 3.0 ... 6.0 bar |
| Max. vacuum | -850 (mbar) |
| Functionality of the ejector | Pressure Control |
| Sound pressure level free | 72 (dB(A)) |
| Protection type IP | IP 65 |
Design Data
Design Data
| Attribute | Value |
|---|---|
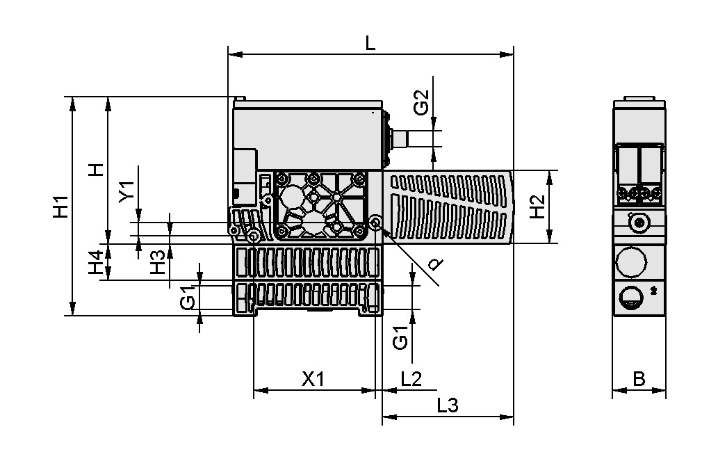
| B | 39 mm |
| B2 | 6.8 mm |
| d | 5.5 mm |
| G1 | G3/8"-F |
| G2 | M12x1-M |
| G3 | M5-F |
| H | 108 mm |
| H1 | 160 mm |
| H2 | 54 mm |
| H3 | 6 mm |
| H4 | 26 mm |
| L | 210 mm |
| L2 | 5 mm |
| L3 | 97 mm |
| L4 | 35.5 mm |
| X1 | 89 mm |
| X2 | 42 mm |
| Y1 | 10 mm |
| Y2 | 24 mm |
Technical Data
Technical Data
| Attribute | Value |
|---|---|
| Nozzle diameter | 3 mm |
| Degree of evacuation | 85 % |
| Suction rate (max.) | 220 l/min |
| Suction rate (max.) | 13.2 m³/h |
| Suction rate (max.) | 7.77 cfm |
| Air consumption suction | 380 l/min |
| Air consumption suction | 22.8 m³/h |
| Air consumption suction | 13.42 cfm |
| Sound pressure level free | 72 dB(A) |
| Pressure range (operating pressure) [bar] | 43.5 ... 87.0 |
| Pressure range (operating pressure) [bar] | 3.0 ... 6.0 bar |
| Max. air consumption blow-off | 320 l/min |
| Recommended hose internal diameter compressed air | 8 mm |
| Recommended hose internal diameter vacuum | 9 mm |
| Control valve | Impulse valve |
| Weight | 0.91 kg |
| Operating temperature | 0 ... 50 °C |
| Product family | SXMPi |
Performance Data
Performance Data
CAD data
CAD data
Live CAD-Model easy-to-use
After clicking on the download button, you can download the CAD model in various file formats. If the preview is not displayed correctly on this page, please click on the "Reload" button.
Documentation
Documentation
Software
Software
The matching software for this product is available in this section.
| Documentation | Language |
|---|---|
| English | |
| English |









