FGA 85 VU1-72 N015
Part no.: 10.01.06.00179
Bellows suction cup (round) with optimal adaptation to uneven surfaces
| Size | 85 |
| Suction cup material | Vulkollan VU1 |
| Material hardness [Shore A] | 72 (Shore A) |
| Number of folds | 1.5 |
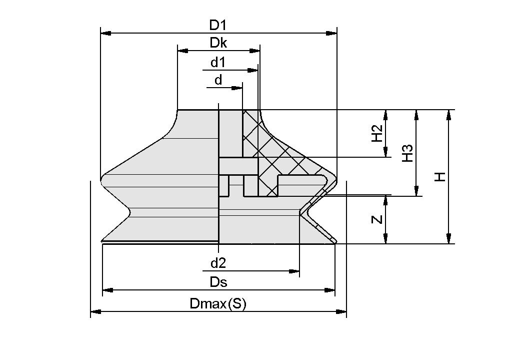
Design Data
Design Data
| Attribute | Value |
|---|---|
| d | 12 mm |
| d1 | 25 mm |
| d2 | 55 mm |
| D1 | 85 mm |
| Dk | 25 mm |
| Dmax(S) | 86.5 mm |
| Ds | 82 mm |
| H | 47 mm |
| H2 | 20 mm |
| H3 | 25 mm |
| Z (Stroke) | 15 mm |
Technical Data
Technical Data
| Attribute | Value |
|---|---|
| Number of folds | 1.5 |
| Suction force (-600mbar) | 140 N |
| Pull-off force | 250 N |
| Volume | 80.21 cm³ |
| Workpiece radius min. (convex) | 80 mm |
| Size | 85 |
| Suction cup material | Vulkollan VU1 |
| Weight | 93.3 g |
| Product family | FGA |
CAD data
CAD data
Live CAD-Model easy-to-use
After clicking on the download button, you can download the CAD model in various file formats. If the preview is not displayed correctly on this page, please click on the "Reload" button.
Documentation
Documentation


