FGA 25 NK-45 N016
Part no.: 10.01.06.00378
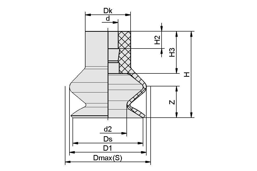
Bellows suction cup (round) with optimal adaptation to uneven surfaces
| Size | 25 |
| Suction cup material | Natural rubber NK |
| Material hardness [Shore A] | 45 (Shore A) |
| Number of folds | 1.5 |
Design Data
Design Data
| Attribute | Value |
|---|---|
| d | 4.5 mm |
| d2 | 9.9 mm |
| D1 | 25 mm |
| Dk | 10 mm |
| Dmax(S) | 26.5 mm |
| Ds | 22.5 mm |
| H | 23 mm |
| H2 | 3.8 mm |
| H3 | 8.9 mm |
| Z (Stroke) | 9 mm |
Technical Data
Technical Data
| Attribute | Value |
|---|---|
| Number of folds | 1.5 |
| Suction force (-600mbar) | 5.3 N |
| Size | 25 |
| Suction cup material | Natural rubber NK |
| Weight | 2.5 g |
| Workpiece radius min. (convex) | 20 mm |
| Product family | FGA |
CAD data
CAD data
Live CAD-Model easy-to-use
After clicking on the download button, you can download the CAD model in various file formats. If the preview is not displayed correctly on this page, please click on the "Reload" button.
Documentation
Documentation




