Schmalz

Ordering information

Suction plate SGF (sealing ring + support plate) is delivered assembled. The assembly consists of:

  • Sealing ring of type DR-SGF – elastomer part, available in various diameters
  • Aluminum support plate – available with various threads

 

Available spare parts: sealing ring of type DR-SGF

Available accessories: touch valve, filter screen (sieve, round)

Please try again later or contact your local contact person.

SGF 125 HT1-60 G3/8-IG

Part no.: 10.01.01.13205

Flat suction cup (round) for highly dynamic handling of glass

Size125
Suction cup materialHigh temperature material HT1
Material hardness [Shore A]60 (Shore A)
ConnectionG3/8"-F
Design Data
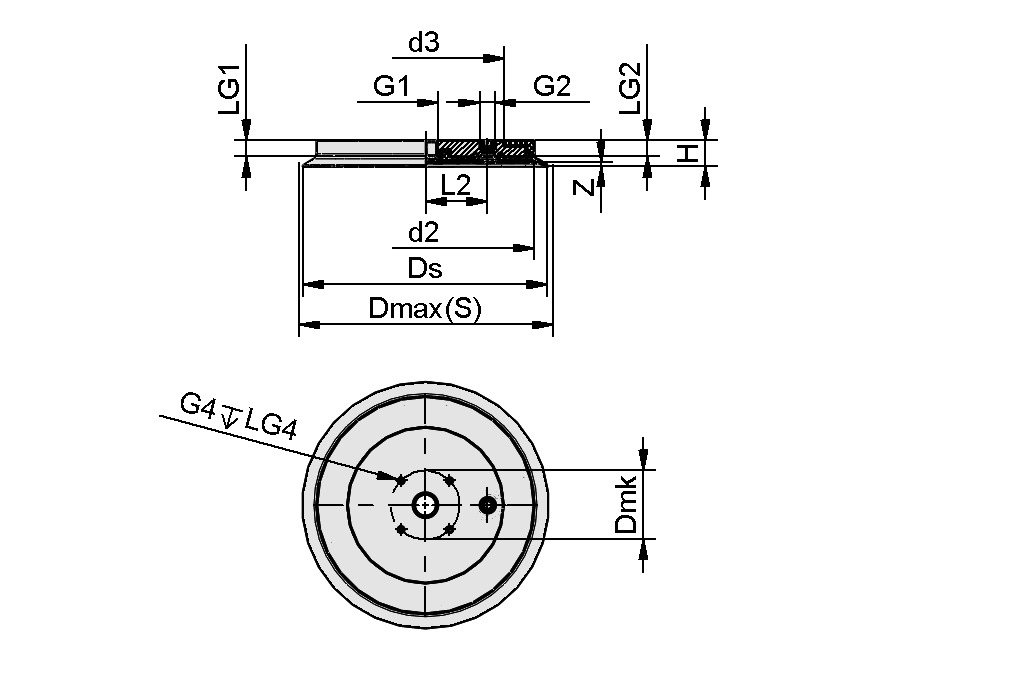
Design image
Attribute Value
d2 100  mm
d3 70  mm
Dmax(S) 130  mm
Ds 123  mm
G1 G3/8"-F
G2 G1/4"-F
H 21.4  mm
L2 26.5  mm
LG1 14  mm
LG2 14  mm
Z (Stroke) 3  mm
Note: Acceptable dimensional tolerances for elastomer parts concerning to DIN ISO 3302-1 M3
Technical Data
Attribute Value
Suction force (-600mbar) 730  N
Suction force d2 470  N
Volume 43.78  cm³
Workpiece radius min. (convex) 1,500  mm
Hose inner diameter (recom.) d 9  mm
Size 125
Number of folds 0
Suction cup material High temperature material HT1
Material hardness [Shore A] 60  Shore A
Weight 290  g
Product family SGF
Note: Suction force: The specified suction forces are theoretical values at a vacuum of -0.6 bar and with a dry, smooth and even workpiece surface - they do not include a safety factor Hose diameter: The recommended hose diameter refers to a hose length of approx. 2 m
CAD data

Live CAD-Model easy-to-use

After clicking on the download button, you can download the CAD model in various file formats. If the preview is not displayed correctly on this page, please click on the "Reload" button.

Documentation

Spare parts

Accessories

Schmalz Companies

Select your Schmalz Company in one of the following regions:

Regions

Your region is not listed?

Schmalz maintains an international sales network with sales partners in over 80 countries. Please select a language for our international website.

The URL you are trying to access is not in the correct language or country context.

The store channel associated with your account does not match the channel of the requested URL. To view prices or place an order, please switch to your user-specific channel.

0 products successfully added to cart

Go to shopping cart