Schmalz

Ordering information

Flat suction cup SGPN (elastomer part + connection nipple) is delivered unassembled. The delivery consists of:

  • Suction cup of type SGP – elastomer part, available in various diameters and materials
  • Connection nipple of type SA-NIP – available with various threads

 

Available spare parts: suction cup SGP, connection nipple SA-NIP

Please try again later or contact your local contact person.

SGPN 34 FPM-65 G1/4-IG

Part no.: 10.01.01.13046

Flat suction cup (round) for careful gripping of paper, plastic film, etc.

Size34
Suction cup materialFluorine rubber FPM
Material hardness [Shore A]65 (Shore A)
Nipple materialAluminum
Product familySGPN
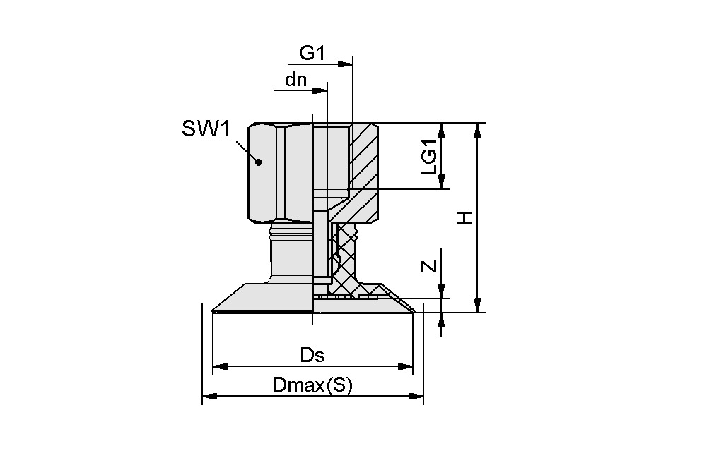
Design Data
Design image
Attribute Value
dn 5.5  mm
Dmax(S) 37.5  mm
Ds 34  mm
G1 G1/4"-F
H 38  mm
LG1 12  mm
SW1 17  mm
Z (Stroke) 2.2  mm
Note: Acceptable dimensional tolerances for elastomer parts concerning to DIN ISO 3302-1 M3
Technical Data
Attribute Value
Suction force (-600mbar) 25  N
Volume 3.7  cm³
Hose inner diameter (recom.) d 4  mm
Size 34
Number of folds 0
Suction cup material Fluorine rubber FPM
Material hardness [Shore A] 65  Shore A
Weight 12  g
Product family SGPN
Note: Suction force: The suction force values are theoretical values at -0.6 bar vacuum and a dry, smooth and even workpiece surface – they are specified without safety factors. Hose inner diameter: The recommended hose diameter refers to a hose length of approx. 2 m
CAD data

Live CAD-Model easy-to-use

After clicking on the download button, you can download the CAD model in various file formats. If the preview is not displayed correctly on this page, please click on the "Reload" button.

Documentation

Spare parts

Schmalz Companies

Select your Schmalz Company in one of the following regions:

Regions

Your region is not listed?

Schmalz maintains an international sales network with sales partners in over 80 countries. Please select a language for our international website.

The URL you are trying to access is not in the correct language or country context.

The store channel associated with your account does not match the channel of the requested URL. To view prices or place an order, please switch to your user-specific channel.

0 products successfully added to cart

Go to shopping cart