Schmalz

Ordering information

Suction cup SPB4 (elastomer part + connection element) is delivered assembled. As an alternative the individual parts can also be ordered separately. To do this, the following ordering steps are required:

  • Suction cup of type SPB4 (step 1) – elastomer part, available in various diameters
  • Connection element of type SC (step 2) – available with various threads

 

Available accessories: filter screen, hose clamp, insert disc

Please try again later or contact your local contact person.

SPB4 30 SI-HD-65 SC080

Part no.: 10.01.06.03180

Bellows suction cup (round) with 4.5 folds for wear-resistant handling

Size30
Suction cup materialSilicone SI-HD
Material hardness [Shore A]65 (Shore A)
Number of folds4.5
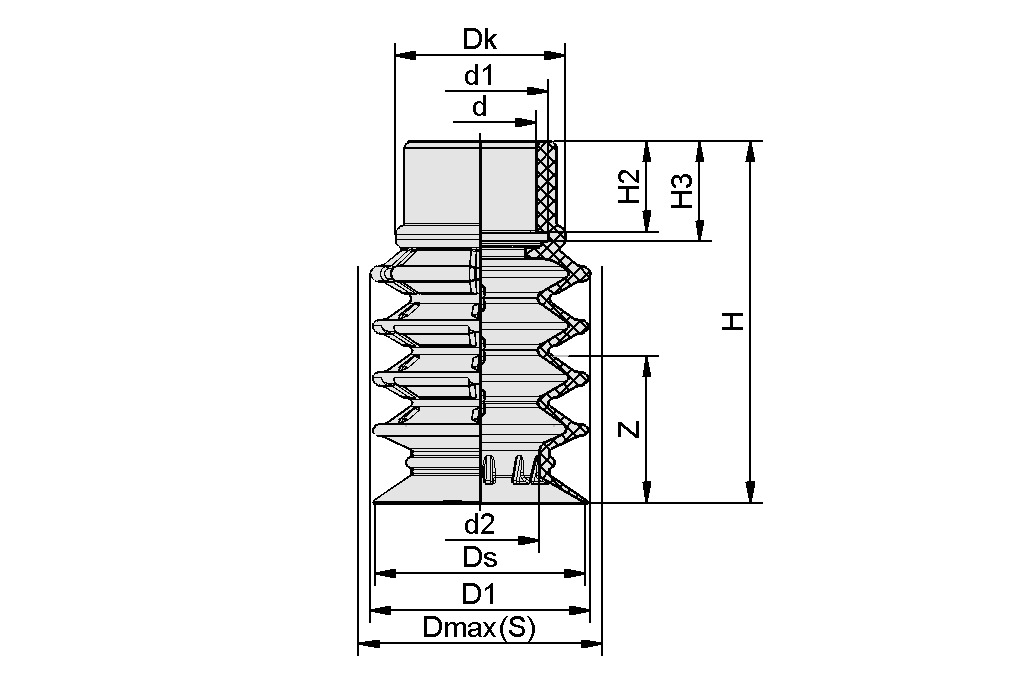
Design Data
Design image
Attribute Value
d 16  mm
d1 19.6  mm
d2 17  mm
D1 31  mm
Dk 24.4  mm
Dmax(S) 31.5  mm
Ds 30.2  mm
H 52  mm
H2 13  mm
H3 14.4  mm
Z (Stroke) 20  mm
Note: Acceptable dimensional tolerances for elastomer parts concerning to DIN ISO 3302-1 M3
Technical Data
Attribute Value
Suction force at -200 mbar 5.3  N
Suction force at -400 mbar 10.6  N
Suction force (-600mbar) 16  N
Pull-off force at -200 mbar 9.9  N
Pull-off force at -400 mbar 13  N
Volume 15.61  cm³
Size 30
Nipple family SC 080
Number of folds 4.5
Suction cup material Silicone SI-HD
Material hardness [Shore A] 65  Shore A
Weight 10.6  g
Product family SPB4
Note: Suction force: The specified suction forces are theoretical values with a dry, smooth and even workpiece surface - they do not include a safety factor
CAD data

Live CAD-Model easy-to-use

After clicking on the download button, you can download the CAD model in various file formats. If the preview is not displayed correctly on this page, please click on the "Reload" button.

Documentation

Accessories

Schmalz Companies

Select your Schmalz Company in one of the following regions:

Regions

Your region is not listed?

Schmalz maintains an international sales network with sales partners in over 80 countries. Please select a language for our international website.

The URL you are trying to access is not in the correct language or country context.

The store channel associated with your account does not match the channel of the requested URL. To view prices or place an order, please switch to your user-specific channel.

0 products successfully added to cart

Go to shopping cart