SW 100 G1/4-AG
Part no.: 10.05.04.00016
Flow resistor for reduction of the volume flow rate
| Nominal size | 1.00 mm |
| Length L | 6 (mm) |
| Thread G1 | G1/4"-M |
| Material | Aluminum |
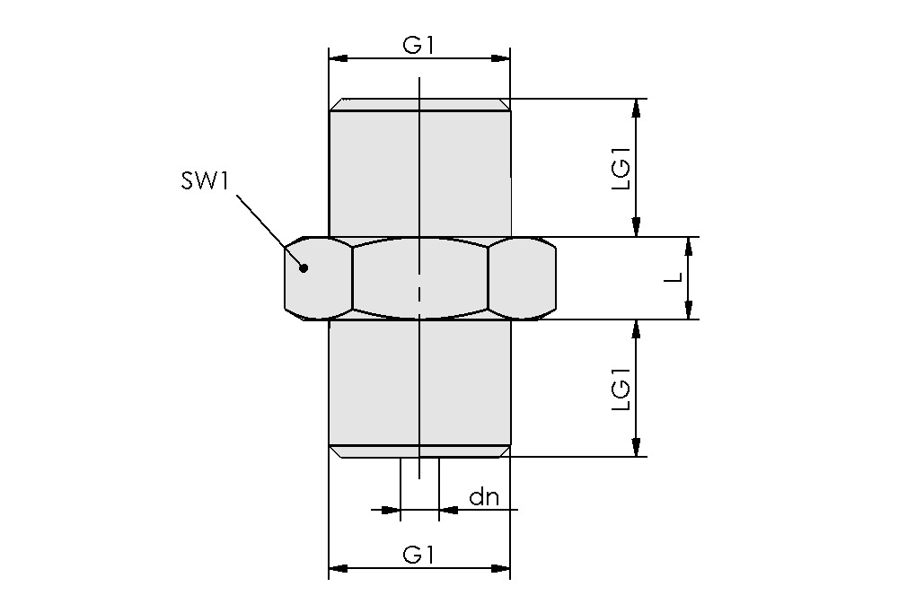
Design Data
Design Data
| Attribute | Value |
|---|---|
| G1 | G1/4"-M |
| dn | 1 mm |
| L | 6 mm |
| LG1 | 10 mm |
| SW1 | 17 mm |
Technical Data
Technical Data
| Attribute | Value |
|---|---|
| Nominal size | 1.00 mm |
| Required suction capacity for pu = -0.3 bar | 0.47 m³/h |
| Required suction capacity for pu = -0.3 bar | 7.8 l/min |
| Required suction capacity for pu = -0.6 bar | 0.5 m³/h |
| Required suction capacity for pu = -0.6 bar | 8.4 l/min |
| Weight | 9.3 g |
| Product family | SW |
CAD data
CAD data
Live CAD-Model easy-to-use
After clicking on the download button, you can download the CAD model in various file formats. If the preview is not displayed correctly on this page, please click on the "Reload" button.
Documentation
Documentation
