SBP-C 10 G02 NO A VS-T
製品コード: 10.02.01.01008
特に軽量化されたコンパクトエジェクタ
| ノズル径 | 1 (mm) |
| 到達真空圧 | 85 (%) |
| 接続 | G1/8"(1)-G1/8"(2) |
| 最適作動圧 | 4.5 (bar) |
| 吸込量(最大) | 35 (l/min) |
| エア消費量吸引 | 48 (l/min) |
| 電磁弁 | ノーマルオープン |
| デザインコンパクトエジェクタ | 真空破壊機能 |
| エジェクタの製品仕様 | 電子真空スイッチ |
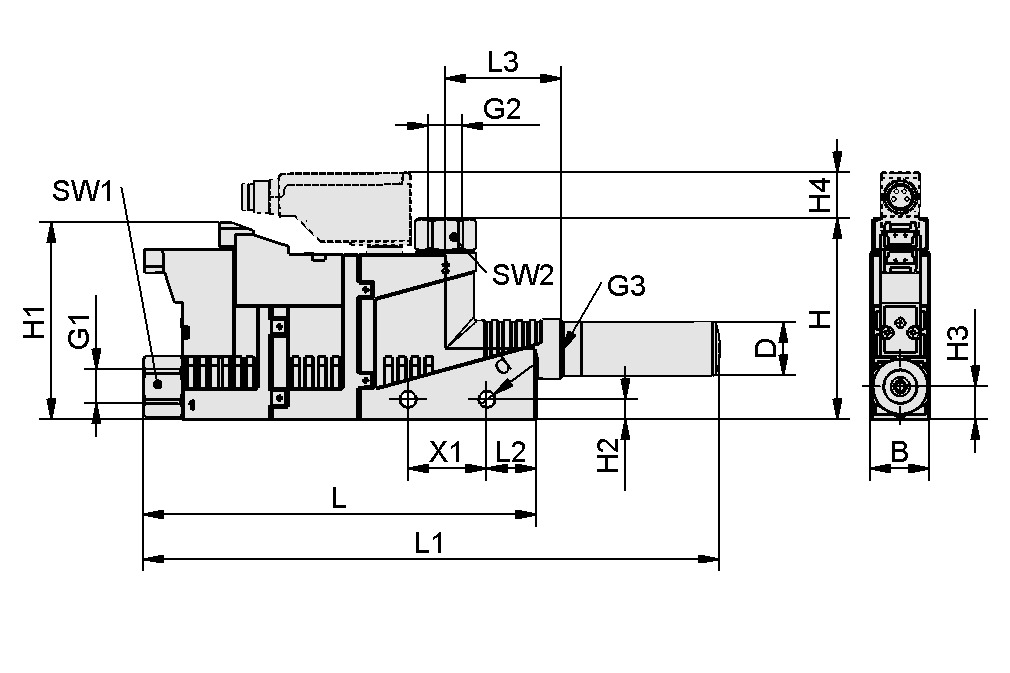
デザインデータ
デザインデータ
| 属性 | 値 |
|---|---|
| B | 15 mm |
| d | 4.2 mm |
| D | 13.5 mm |
| G1 | G1/8"-F |
| G2 | G1/8-IG |
| G3 | G1/8"-F |
| H | 51 mm |
| H1 | 50 mm |
| H2 | 5.2 mm |
| H3 | 8.5 mm |
| H4 | 11.8 mm |
| L | 106 mm |
| L1 | 146 mm |
| L2 | 19 mm |
| L3 | 29.5 mm |
| SW1 | 14 mm |
| SW2 | 14 mm |
| X1 | 20 mm |
テクニカルデータ
テクニカルデータ
| 属性 | 値 |
|---|---|
| ノズル径 | 1 mm |
| 到達真空圧 | 85 % |
| 吸込量(最大) | 2.1 m³/h |
| 吸込量(最大) | 35 l/min |
| エア消費量吸引 | 2.9 m³/h |
| エア消費量吸引 | 48 l/min |
| ノイズレベルフリー | 65 dB(A) |
| ノイズレベル吸引 | 59 dB(A) |
| 圧力範囲(作動圧) [bar] | 3.0 ~ 6.0 bar |
| 最適作動圧 | 4.5 bar |
| 推奨圧縮エアホース内径 | 4 mm |
| 推奨ホース内径 真空 | 6 mm |
| 質量 | 145 g |
| 作動温度 | 0 ~ 50 ℃ |
| 圧力範囲(作動圧) [bar] | 43.5 ~ 87.0 |
| 最適圧力 | 65.2 psi |
| 最大吸込量 | 1.24 cfm |
| エア消費量吸引 | 1.7 cfm |
| エア消費量真空破壊 | 1.06 cfm |
| 製品ファミリー | SBP-C |
パフォーマンスデータ
パフォーマンスデータ
CADデータ
CADデータ
使いやすいライブCADモデル
ダウンロードボタンをクリックすると、様々なファイル形式でCADモデルをダウンロードすることができます。このページでプレビューが正しく表示されない場合は、「再読み込み」ボタンをクリックしてください。
ドキュメント
ドキュメント










