Schmalz

後でもう一度お試しいただくか、最寄りの担当者までご連絡ください。

  • 廃止品目

SMP 30 NC AS

製品コード: 10.02.02.00592

強力真空破壊機能付きエジェクタ

ノズル径3 (mm)
吸込量(最大)200 (l/min)
エア消費量吸引420 (l/min)
圧力範囲(作動圧) [bar]5.0 ~ 6.0 bar
電磁弁ノーマルクローズ
デザインコンパクトエジェクタ真空破壊システム付き

この項目は段階的に廃止された。

残念ながら、ご希望の商品はご注文いただけません。しかし、代替品をご用意しております。ご不明な点がございましたら、お近くの担当者までお気軽にお問い合わせください。

代替製品へ
デザインデータ
Design image
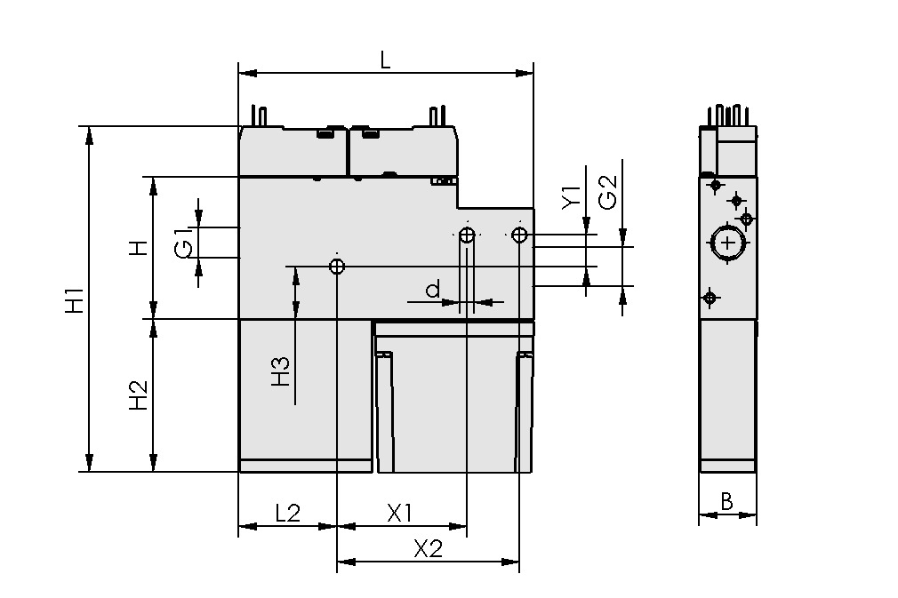
属性
B 22  mm
d 5.5  mm
G1 G1/4"-F
G2 G3/8-F
H 54  mm
H1 147.5  mm
H2 73.5  mm
H3 20.1  mm
L 112.5  mm
L2 37.5  mm
X1 49.5  mm
X2 69.5  mm
Y1 12  mm
テクニカルデータ
属性
ノズル径 3  mm
到達真空圧 85  %
吸込量(最大) 200  l/min
電磁弁 ノーマルクローズ
最大吸込量 7.06  cfm
製品ファミリー SMP
※真空スイッチおよび電磁弁の供給電圧はDC-24 Vです。※エア消費量は作動圧5 barで使用したときの値です。推奨ホース内径は、ホースの長さが最大2 mの場合の値です。
ドキュメント

スペアパーツ

アクセサリ

Schmalz Companies

Select your Schmalz Company in one of the following regions:

Regions

Your region is not listed?

Schmalz maintains an international sales network with sales partners in over 80 countries. Please select a language for our international website.

アクセスしようとしているURLは、正しい言語または国のコンテキストではありません。

お客様のアカウントに関連付けられたストアのチャンネルが、要求されたURLのチャンネルと一致しません。価格の表示または注文を行うには、ユーザー固有のチャンネルに切り替えてください。

シュマルツへのお問い合わせ

0 商品がカートに入りました

ショッピングカートへ