SCPMc 12 S04 NC JST-5 NPN EDF
製品コード: 10.02.02.07241
ミニコンパクトエジェクタ、エアーセーブ機能付き 製品仕様とディスプレイ付き
| 接続 | |
| 吸込量(最大) | 30 (l/min) |
| エア消費量吸引 | 51 (l/min) |
| ノイズレベルフリー | 76 (dB(A)) |
| 圧力範囲(作動圧) [bar] | |
| 最大真空 | 920 (mbar) |
| 電気の接続 | |
| 構築真空スイッチ | NPNスイッチング |
| 電磁弁 | ノーマルクローズ |
| 保護タイプ IP |
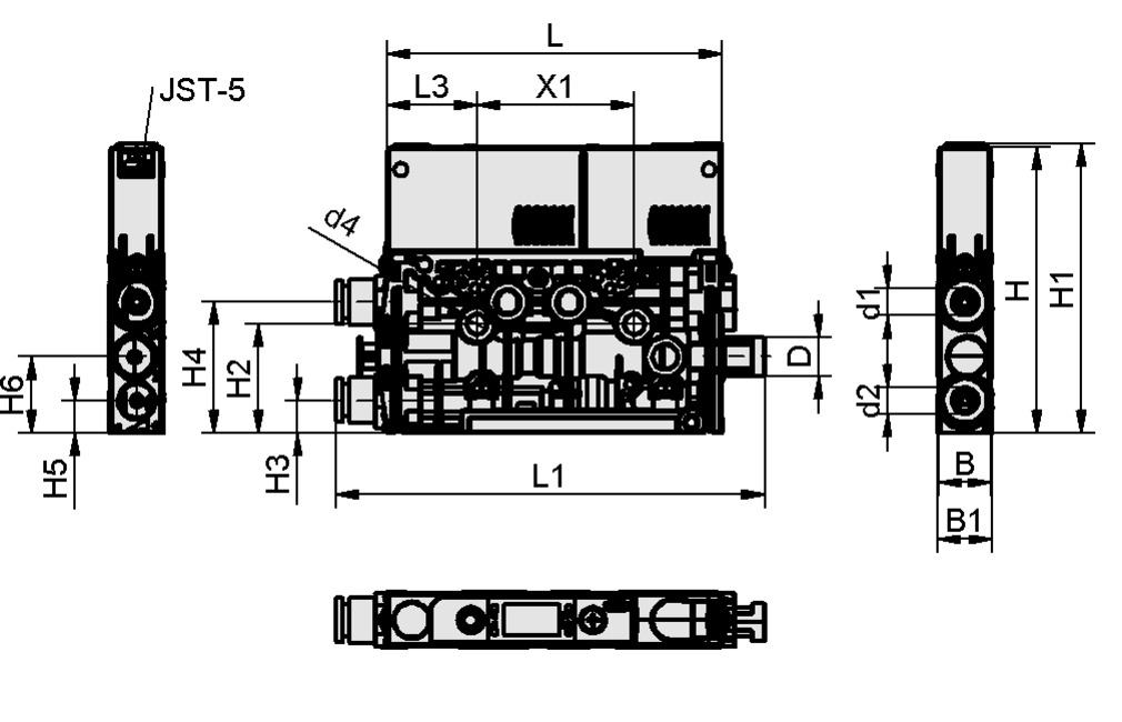
デザインデータ
デザインデータ
| 属性 | 値 |
|---|---|
| B | 12 mm |
| B1 | 12.5 mm |
| D | 9 mm |
| d1 | 6.2 mm |
| d2 | 6.2 mm |
| d4 | 4.3 mm |
| H | 65.3 mm |
| H1 | 73.9 mm |
| H2 | 24.95 mm |
| H3 | 7.5 mm |
| H4 | 30 mm |
| H5 | 7.5 mm |
| H6 | 17.5 mm |
| L | 76.5 mm |
| L1 | 120.5 mm |
| L2 | 11.4 mm |
| L3 | 20.5 mm |
| X1 | 36 mm |
テクニカルデータ
テクニカルデータ
| 属性 | 値 |
|---|---|
| 構築真空スイッチ | NPNスイッチング |
| 電磁弁 | NC |
| 電気の接続 | JST-5 |
| 到達真空圧 | 92 % |
| 吸込量(最大) | 30 l/min |
| エア消費量吸引 | 51 l/min |
| 最大エア消費量 真空破壊 | 10 l/min |
| 最大真空 | 920 mbar |
| 最適作動圧 | 4.5 bar |
| 圧力範囲(作動圧) [bar] | |
| 推奨圧縮エアホース内径 | 4 mm |
| 推奨ホース内径 真空 | 4 mm |
| 作動温度 | |
| 質量 | 84 g |
| 製品ファミリー | SCPMc |
CADデータ
CADデータ
使いやすいライブCADモデル
ダウンロードボタンをクリックすると、様々なファイル形式でCADモデルをダウンロードすることができます。このページでプレビューが正しく表示されない場合は、「再読み込み」ボタンをクリックしてください。
ドキュメント
ドキュメント
















