SCPSc 2-07 G02 NO M12-5 PNP
製品コード: 10.02.02.07508
コンパクトエジェクタ。 スリムなコントローラーとディスプレイの実現
| ノズルサイズ | 2-07 |
| 接続 | |
| 電気の接続 | |
| 吸込量(最大) | 37 (l/min) |
| エア消費量吸引 | 22 (l/min) |
| 圧力範囲(作動圧) [bar] | |
| 保護タイプ IP | |
| 最大真空 | -850 (mbar) |
| 電磁弁 | ノーマルオープン |
| エジェクタの製品仕様 | デジタルエアセービング機能 |
| 構築真空スイッチ | PNPスイッチング |
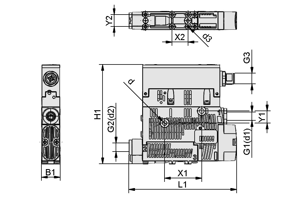
デザインデータ
デザインデータ
| 属性 | 値 |
|---|---|
| B1 | 18.6 mm |
| d | 4.4 mm |
| d3 | 2.6 mm |
| G1 | G1/8"-F |
| G2 | |
| G3 | M12x1-M |
| H1 | 99 mm |
| L1 | 106 mm |
| L3 | 22 mm |
| X1 | 36.9 mm |
| X2 | 16 mm |
| Y1 | 12 mm |
| Y2 | 12 mm |
テクニカルデータ
テクニカルデータ
| 属性 | 値 |
|---|---|
| ノズルサイズ | 2-07 |
| 到達真空圧 | 85 % |
| 吸込量(最大) | 2.28 m³/h |
| 吸込量(最大) | 37 l/min |
| エア消費量吸引 | 1.35 m³/h |
| エア消費量吸引 | 22 l/min |
| エア消費量真空破壊 | 7.2 m³/h |
| 最大エア消費量 真空破壊 | 120 l/min |
| ノイズレベルフリー | 63 dB(A) |
| ノイズレベル吸引 | 58 dB(A) |
| 圧力範囲(作動圧) [bar] | |
| 推奨圧縮エアホース内径 | 4 mm |
| 推奨ホース内径 真空 | 4 mm |
| 質量 | 0.2 kg |
| 作動温度 | |
| 圧力範囲(作動圧) [bar] | |
| 最大吸込量 | 1.31 cfm |
| エア消費量吸引 | 0.78 cfm |
| エア消費量真空破壊 | 4.24 cfm |
| 最大真空 | -25.1 inHg |
| 電磁弁 | ノーマルオープン |
| 製品ファミリー | SCPSc |
パフォーマンスデータ
パフォーマンスデータ
CADデータ
CADデータ
使いやすいライブCADモデル
ダウンロードボタンをクリックすると、様々なファイル形式でCADモデルをダウンロードすることができます。このページでプレビューが正しく表示されない場合は、「再読み込み」ボタンをクリックしてください。
E-Plan マクロ
E-Plan マクロ
ドキュメント
ドキュメント



















