- 新規
PFYN 15 HT1-ESD-60 G1/8-IG
製品コード: 10.01.01.16265
| サイズ | 15 |
| 真空パッドの材質 | 高温材質 HT1-ESD |
| 材質の硬度 [ショアA] | 60 (Shore A) |
| 材質 | ノンマーキング |
| ニップル材質 | アルミ |
| 製品ファミリー | PFYN |
デザインデータ
デザインデータ
| 属性 | 値 |
|---|---|
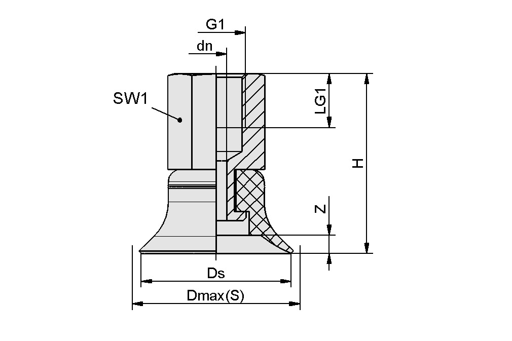
| dn | 2 mm |
| Dmax(S) | 17.5 mm |
| Ds | 15 mm |
| G1 | G1/8"-F |
| H | 24 mm |
| LG1 | 9 mm |
| SW1 | 14 mm |
| Z(ストローク) | 1.9 mm |
テクニカルデータ
テクニカルデータ
| 属性 | 値 |
|---|---|
| 吸着力(-600mbar) | 9 N |
| ボリューム | 0.4 cm³ |
| 最小ワーク半径(凸部) | 12.5 mm |
| ホース径(推奨) d | 4 mm |
| サイズ | 15 |
| 真空パッドの材質 | 高温材質 HT1-ESD |
| 材質の硬度 [ショアA] | 60 Shore A |
| 質量 | 5.8 g |
| 製品ファミリー | PFYN |
| 折りたたみ式本数 | 0 |
CADデータ
CADデータ
使いやすいライブCADモデル
ダウンロードボタンをクリックすると、様々なファイル形式でCADモデルをダウンロードすることができます。このページでプレビューが正しく表示されない場合は、「再読み込み」ボタンをクリックしてください。
ドキュメント
ドキュメント





