- 段階的廃止項目
FMP-SW90 640 5R36 SPB2-20P F G32
製品コード: 10.01.38.00490
真空グリッパー
| グリッパーの長さ L | 640 (mm) |
| 幅B | 130 (mm) |
| アレンジメント | 5R36 |
| 製品仕様:グリッパー | フィルター付き |
| デザイン金具 | ストレート |
| 外径D | 32 (mm) |
| 質量 | 3.5 (kg) |
| 製品ファミリー | FMP |
デザインデータ
デザインデータ
| 属性 | 値 |
|---|---|
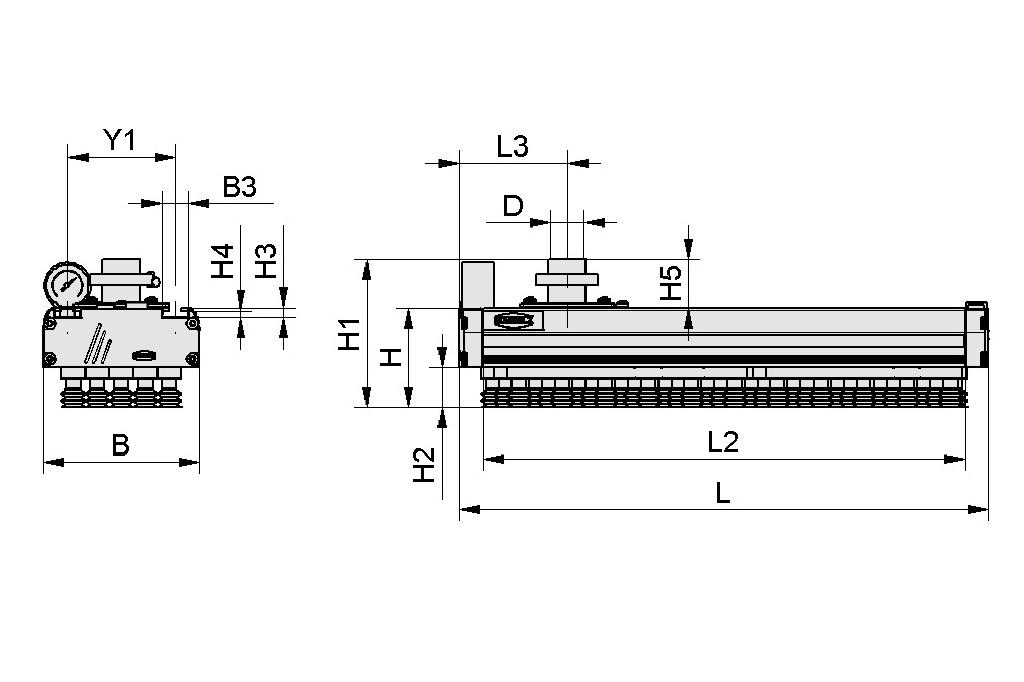
| B | 130 mm |
| B3 | 21.6 mm |
| D | 32 mm |
| H | 82.7 mm |
| H1 | 123.2 mm |
| H2 | 33 mm |
| H3 | 7.7 mm |
| H4 | 5.5 mm |
| H5 | 41 mm |
| L | 640 mm |
| L2 | 600 mm |
| L3 | 90 mm |
| Y1 | 90 mm |
| バルブタイプ | SW |
テクニカルデータ
テクニカルデータ
| 属性 | 値 |
|---|---|
| アレンジメント | 5R36 |
| 吸引セルの本数 | 82 |
| 250 mbarでの吸着力 | 210 N |
| 製品仕様:グリッパー | フィルター付き |
| と | フィルター |
| 質量 | 3.5 kg |
| 吸着面 | 真空パッド |
| PU=-0.25barの場合の真空到達率 | 450 l/min |
| 製品ファミリー | FMP |
CADデータ
CADデータ
使いやすいライブCADモデル
ダウンロードボタンをクリックすると、様々なファイル形式でCADモデルをダウンロードすることができます。このページでプレビューが正しく表示されない場合は、「再読み込み」ボタンをクリックしてください。
ドキュメント
ドキュメント
































