FSTA-HD G1/2-AG 90
製品コード: 10.01.02.00781
上下スプリングを備え、高さ補正機能のある高耐久のスプリングプランジャー
業界: ユニバーサル
| 真空パッド接続 | G1/2-M |
| 製品ファミリー | FSTA-HD |
| スプリングストロークZ | 90 (mm) |
| 締め付けトルク(最大) | 50 (Nm) |
デザインデータ
デザインデータ
| 属性 | 値 |
|---|---|
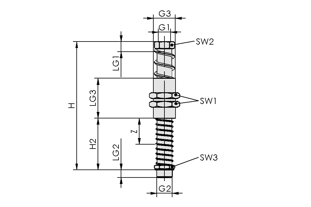
| G1 | G3/8"-F |
| G2 | G1/2-M |
| G3 | M30x1.5-M |
| H | 229.5 mm |
| H2 | 123.3 mm |
| LG1 | 12 mm |
| LG2 | 10.5 mm |
| LG3 | 53 mm |
| SW1 | 36 mm |
| SW2 | 24 mm |
| SW3 | 24 mm |
| Z(ストローク) | 90 mm |
テクニカルデータ
テクニカルデータ
| 属性 | 値 |
|---|---|
| バネ定数 | 1.07 N/mm |
| スプリング・プレテンション | 24.38 N |
| バネ力センター | 75.3 N |
| 垂直方向荷重 | 4,900 N |
| 水平方向荷重 | 730 N |
| 締め付けトルク(最大) | 50 Nm |
| 質量 | 645 g |
| 作動温度 | 0 ~ 80 °C |
| 製品ファミリー | FSTA-HD |
CADデータ
CADデータ
使いやすいライブCADモデル
ダウンロードボタンをクリックすると、様々なファイル形式でCADモデルをダウンロードすることができます。このページでプレビューが正しく表示されない場合は、「再読み込み」ボタンをクリックしてください。
ドキュメント
ドキュメント


















