FSTIm N004 6/4 A 10 VG-IN
製品コード: 10.01.02.01282
ダンピングスプリング内蔵で、高さ補正可能なスプリングプランジャー
| 製品ファミリー | FSTIm |
| デザイン | 垂直方向真空ガイド |
| スプリングストロークZ | 10 (mm) |
| 取付部品のデザイン | 回転ロック/断熱性 |
| 締め付けトルク(最大) | 4 (Nm) |
デザインデータ
デザインデータ
| 属性 | 値 |
|---|---|
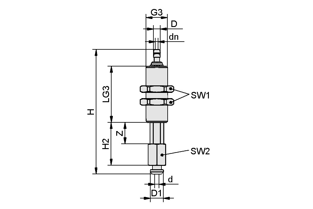
| D | 4 mm |
| d | 2 mm |
| dn | 2 mm |
| D1 | 6 mm |
| G3 | M10x1-M |
| H | 59.7 mm |
| H2 | 20 mm |
| LG3 | 26 mm |
| SW1 | 14 mm |
| SW2 | 8 mm |
| Z(ストローク) | 10 mm |
テクニカルデータ
テクニカルデータ
| 属性 | 値 |
|---|---|
| 取付部品のデザイン | 回転ロック/断熱性 |
| バネ定数 | 0.05 N/mm |
| スプリング・プレテンション | 0.5 N |
| バネ力センター | 0.75 N |
| 垂直方向荷重 | 15 N |
| 水平方向荷重 | 10 N |
| 締め付けトルク(最大) | 4 Nm |
| 質量 | 14.5 g |
| 作動温度 | 0 ~ 80 °C |
| 製品ファミリー | FSTIm |
CADデータ
CADデータ
使いやすいライブCADモデル
ダウンロードボタンをクリックすると、様々なファイル形式でCADモデルをダウンロードすることができます。このページでプレビューが正しく表示されない場合は、「再読み込み」ボタンをクリックしてください。
ドキュメント
ドキュメント







