SBS 60 SF G1/8-IG CS AL
製品コード: 10.01.01.12777
非接触真空パッド
| 径 | 60 (mm) |
| デザイン | 標準(通気性の低いワーク向け |
| 圧縮エア接続口 | G1/8"-F |
| 製品仕様 吸着機能付き真空パッド | 吸込面中央に緩衝用ゴム付き |
| 材質 | アルミ |
デザインデータ
デザインデータ
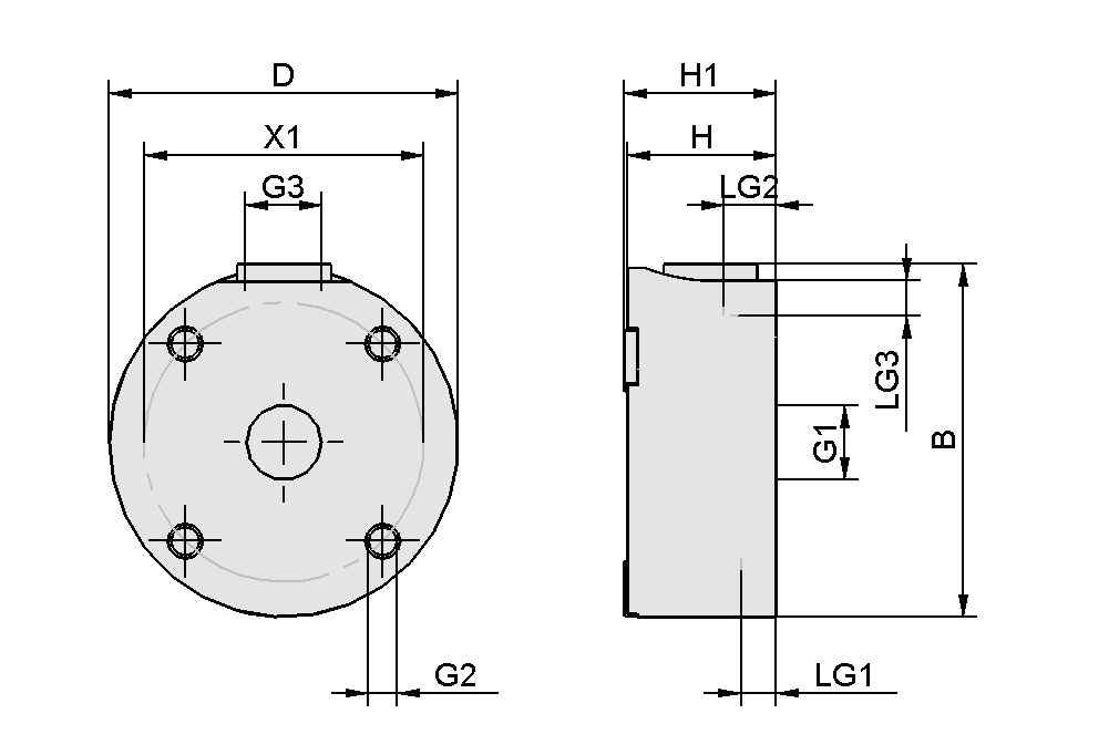
| 属性 | 値 |
|---|---|
| B | 61.6 mm |
| D | 60 mm |
| G1 | G1/8"-F |
| G2 | M4-IG |
| G3 | G1/8"-F |
| H | 17 mm |
| H1 | 17.4 mm |
| LG1 | 5 mm |
| LG2 | 6 mm |
| LG3 | 6 mm |
| X1 | 45 mm |
テクニカルデータ
テクニカルデータ
| 属性 | 値 |
|---|---|
| 保持力 | 13 N |
| エア消費量 | 9 m³/h |
| エア消費量 [l/min] | 150 l/min |
| 圧力範囲(作動圧) [bar] | 1.0 ... 6.0 bar |
| 質量 | 120 g |
| 製品ファミリー | SBS |
パフォーマンスデータ
パフォーマンスデータ
CADデータ
CADデータ
使いやすいライブCADモデル
ダウンロードボタンをクリックすると、様々なファイル形式でCADモデルをダウンロードすることができます。このページでプレビューが正しく表示されない場合は、「再読み込み」ボタンをクリックしてください。
ドキュメント
ドキュメント


