FG 52 SI-55 N018
製品コード: 10.01.06.00585
凹凸のあるワークの搬送に適したベローズ真空パッド
| サイズ | 52 |
| 真空パッドの材質 | シリコーンゴム SI |
| 材質の硬度 [ショアA] | 55 (Shore A) |
| 材質種類 | FDA対応 |
| 折りたたみ式本数 | 2.5 |
デザインデータ
デザインデータ
| 属性 | 値 |
|---|---|
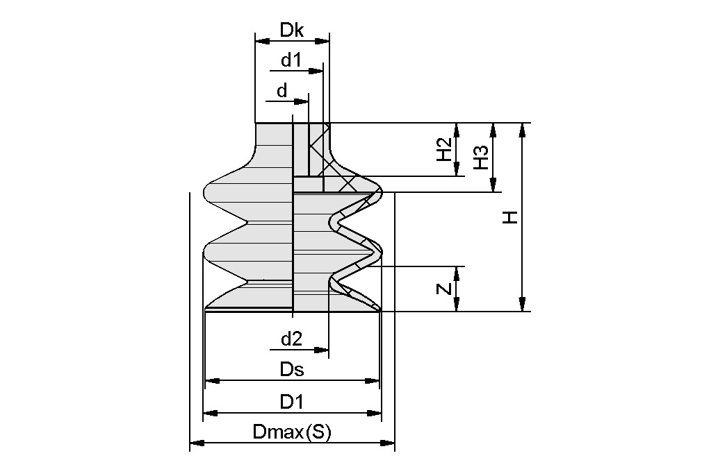
| d | 8 mm |
| d2 | 24.6 mm |
| D1 | 52 mm |
| Dk | 18 mm |
| Dmax(S) | 55 mm |
| Ds | 52.5 mm |
| H | 48.7 mm |
| H2 | 13 mm |
| Z(ストローク) | 25 mm |
テクニカルデータ
テクニカルデータ
| 属性 | 値 |
|---|---|
| 吸着力(-600mbar) | 28.52 N |
| 離脱力 | 96 N |
| ボリューム | 37.59 cm³ |
| 最小ワーク半径(凸部) | 75 mm |
| サイズ | 52 |
| 対応ニップルファミリー | N 018 |
| 折りたたみ式本数 | 2.5 |
| 真空パッドの材質 | シリコーンゴム SI |
| 材質の硬度 [ショアA] | 55 Shore A |
| 質量 | 22.9 g |
| 製品ファミリー | FG |
CADデータ
CADデータ
使いやすいライブCADモデル
ダウンロードボタンをクリックすると、様々なファイル形式でCADモデルをダウンロードすることができます。このページでプレビューが正しく表示されない場合は、「再読み込み」ボタンをクリックしてください。
ドキュメント
ドキュメント


