FGA 14 NBR-ESD-55 N062
製品コード: 10.01.06.04257
湾曲面への追従性に優れた真空パッド
| サイズ | 14 |
| 真空パッドの材質 | ニトリルゴム NBR-ESD (ESD対策ゴム) |
| 材質の硬度 [ショアA] | 55 (Shore A) |
| 折りたたみ式本数 | 1.5 |
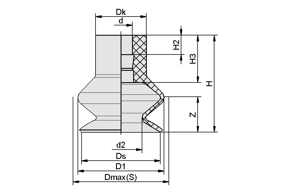
デザインデータ
デザインデータ
| 属性 | 値 |
|---|---|
| d | 4.5 mm |
| d2 | 5 mm |
| D1 | 13.7 mm |
| Dk | 10 mm |
| Dmax(S) | 14.5 mm |
| Ds | 12.5 mm |
| H | 15.5 mm |
| H2 | 3.8 mm |
| H3 | 8.5 mm |
| Z(ストローク) | 5 mm |
テクニカルデータ
テクニカルデータ
| 属性 | 値 |
|---|---|
| 折りたたみ式本数 | 1.5 |
| 吸着力(-600mbar) | 1.2 N |
| サイズ | 14 |
| 真空パッドの材質 | ニトリルゴム NBR-ESD (ESD対策ゴム) |
| 質量 | 1.1 g |
| 最小ワーク半径(凸部) | 12.5 mm |
| 製品ファミリー | FGA |
CADデータ
CADデータ
使いやすいライブCADモデル
ダウンロードボタンをクリックすると、様々なファイル形式でCADモデルをダウンロードすることができます。このページでプレビューが正しく表示されない場合は、「再読み込み」ボタンをクリックしてください。
ドキュメント
ドキュメント



