- 新規
SUF 6 EPDM-ECO-55 SC020
製品コード: 10.01.01.16003
| サイズ | 6 |
| 真空パッドの材質 | EPDM-ECO |
| 材質の硬度 [ショアA] | 55 (Shore A) |
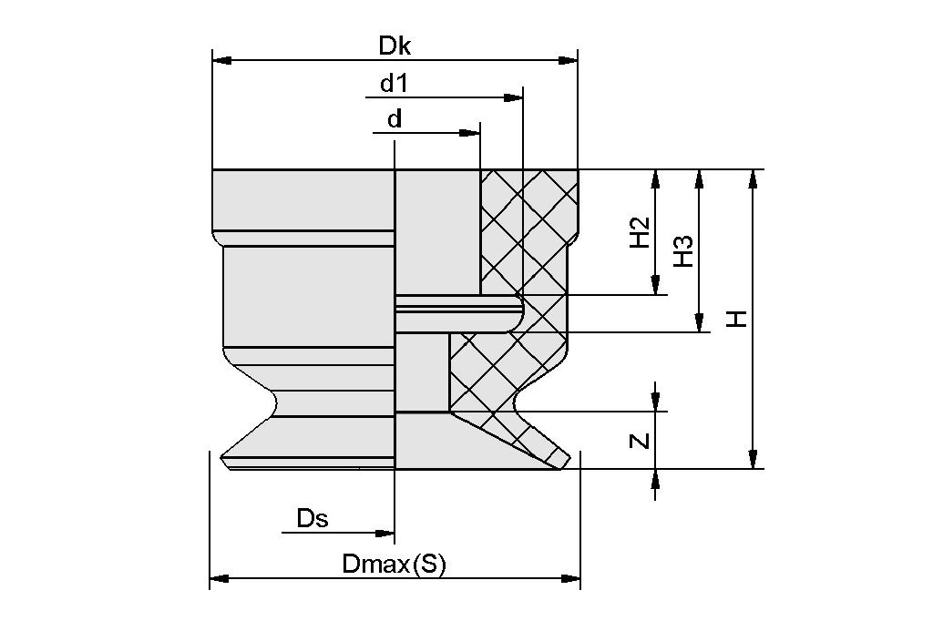
デザインデータ
デザインデータ
| 属性 | 値 |
|---|---|
| d1 | 4.7 mm |
| d | 3.1 mm |
| Dk | 6.7 mm |
| Dmax(S) | 6.8 mm |
| Ds | 6 mm |
| H | 5.5 mm |
| H2 | 2.3 mm |
| H3 | 3 mm |
| Z(ストローク) | 0.6 mm |
テクニカルデータ
テクニカルデータ
| 属性 | 値 |
|---|---|
| 吸着力(-600mbar) | 1.4 N |
| 離脱力 | 1.4 N |
| ボリューム | 0.02 cm³ |
| 最小ワーク半径(凸部) | 8 mm |
| サイズ | 6 |
| 対応ニップルファミリー | SC020 |
| 真空パッドの材質 | EPDM-ECO |
| 材質の硬度 [ショアA] | 55 Shore A |
| 質量 | 0.13 g |
| 製品ファミリー | SUF |
CADデータ
CADデータ
使いやすいライブCADモデル
ダウンロードボタンをクリックすると、様々なファイル形式でCADモデルをダウンロードすることができます。このページでプレビューが正しく表示されない場合は、「再読み込み」ボタンをクリックしてください。


