SUF 70 HT1-60 G1/4-IG
製品コード: 10.01.01.14083
滑らかでわずかに粗さのある表面の吸着に適した真空パッド
| サイズ | 70 |
| 真空パッドの材質 | 高温材質 HT1 |
| 材質の硬度 [ショアA] | 60 (Shore A) |
| 製品ファミリー | SUF |
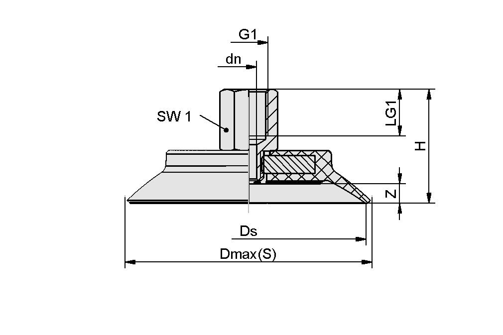
デザインデータ
デザインデータ
| 属性 | 値 |
|---|---|
| Dmax(S) | 77.2 mm |
| Ds | 70 mm |
| dn | 5.1 mm |
| G1 | G1/4"-F |
| H | 34.4 mm |
| LG1 | 12 mm |
| SW1 | 17 mm |
| Z(ストローク) | 6 mm |
テクニカルデータ
テクニカルデータ
| 属性 | 値 |
|---|---|
| 吸着力(-600mbar) | 198 N |
| 離脱力 | 198 N |
| ボリューム | 18 cm³ |
| 最小ワーク半径(凸部) | 100 mm |
| ホース径(推奨) d | 6 mm |
| サイズ | 70 |
| 真空パッドの材質 | 高温材質 HT1 |
| 材質の硬度 [ショアA] | 60 Shore A |
| 質量 | 61.3 g |
| 製品ファミリー | SUF |
| 折りたたみ式本数 | 0 |
CADデータ
CADデータ
使いやすいライブCADモデル
ダウンロードボタンをクリックすると、様々なファイル形式でCADモデルをダウンロードすることができます。このページでプレビューが正しく表示されない場合は、「再読み込み」ボタンをクリックしてください。
ドキュメント
ドキュメント
