SC-A 045-AR G1/4-AG L
製品コード: 10.01.06.03131
シュマルツコネクタ 上部
| 接続種類 | 045-AR |
| スレッドG1 | G1/4"-M |
| グリッパーの長さ L | 2 (mm) |
| デザイン | 緩み防止 |
デザインデータ
デザインデータ
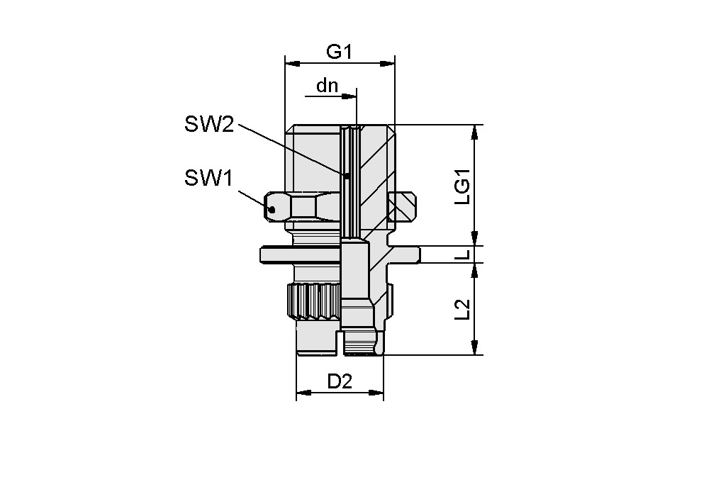
| 属性 | 値 |
|---|---|
| dn | 4.1 mm |
| D2 | 10.5 mm |
| G1 | G1/4"-M |
| L | 2 mm |
| L2 | 11 mm |
| LG1 | 14.5 mm |
| SW1 | 17 mm |
| SW2 | 4 mm |
テクニカルデータ
テクニカルデータ
| 属性 | 値 |
|---|---|
| 接続種類 | 045-AR |
| 材質 | アルミ |
| デザイン | 緩み防止 |
| 質量 | 7.6 g |
CADデータ
CADデータ
使いやすいライブCADモデル
ダウンロードボタンをクリックすると、様々なファイル形式でCADモデルをダウンロードすることができます。このページでプレビューが正しく表示されない場合は、「再読み込み」ボタンをクリックしてください。
ドキュメント
ドキュメント
