Schmalz

後でもう一度お試しいただくか、最寄りの担当者までご連絡ください。

  • 廃止品目

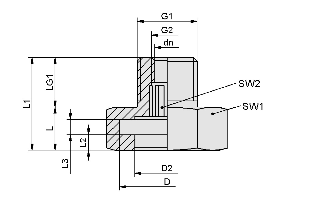
SA-NIP N032 G1/8-AG DN420

製品コード: 10.01.01.00824

接続ニップル (取付ネジ)

スレッドG1G1/8"-M
グリッパーの長さ7 (mm)
材質アルミ

この項目は段階的に廃止された。

残念ながら、ご希望の商品はご注文いただけなくなりました。また、後継商品も現在ご用意がございません。代替品についてご不明な点がございましたら、いつでもお近くの担当者にお問い合わせください。

お問い合わせフォームへ
デザインデータ
Design image
属性
G1 G1/8"-M
ドキュメント

Schmalz Companies

Select your Schmalz Company in one of the following regions:

Regions

Your region is not listed?

Schmalz maintains an international sales network with sales partners in over 80 countries. Please select a language for our international website.

アクセスしようとしているURLは、正しい言語または国のコンテキストではありません。

お客様のアカウントに関連付けられたストアのチャンネルが、要求されたURLのチャンネルと一致しません。価格の表示または注文を行うには、ユーザー固有のチャンネルに切り替えてください。

シュマルツへのお問い合わせ

0 商品がカートに入りました

ショッピングカートへ