SFB1 30 EPDM-45 SC040
製品コード: 10.01.06.04377
薄く柔軟なワーク向け真空パッド
| サイズ | 30 |
| 真空パッドの材質 | EPDM |
| 材質の硬度 [ショアA] | 45 (Shore A) |
| 製品ファミリー | SFB1 |
| 折りたたみ式本数 | 1.5 |
デザインデータ
デザインデータ
| 属性 | 値 |
|---|---|
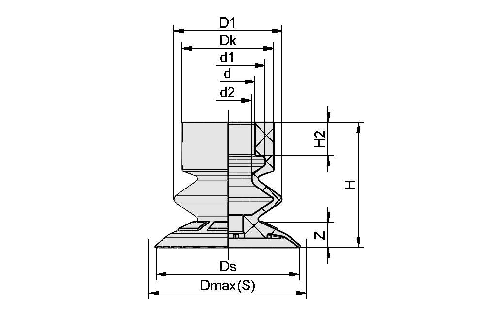
| D1 | 22.2 mm |
| Dmax(S) | 31.5 mm |
| Dk | 13 mm |
| Ds | 30 mm |
| d | 7.5 mm |
| d1 | 10.4 mm |
| d2 | 9.9 mm |
| H | 20.4 mm |
| H2 | 4.7 mm |
| Z(ストローク) | 8 mm |
テクニカルデータ
テクニカルデータ
| 属性 | 値 |
|---|---|
| 離脱力 | 23.7 N |
| 吸着力(-600mbar) | 4.6 N |
| ボリューム | 2.88 cm³ |
| サイズ | 30 |
| 折りたたみ式本数 | 1.5 |
| 真空パッドの材質 | EPDM |
| 材質の硬度 [ショアA] | 45 Shore A |
| 最小ワーク半径(凸部) | 20 mm |
| 対応ニップルファミリー | SC 040 |
| 製品ファミリー | SFB1 |
CADデータ
CADデータ
使いやすいライブCADモデル
ダウンロードボタンをクリックすると、様々なファイル形式でCADモデルをダウンロードすることができます。このページでプレビューが正しく表示されない場合は、「再読み込み」ボタンをクリックしてください。
ドキュメント
ドキュメント



