SFF 25 HT1-60 G1/8-IG
製品コード: 10.01.01.14279
紙・フィルム等の吸着に適した真空パッド
| サイズ | 25 |
| 真空パッドの材質 | 高温材質 HT1 |
| 材質の硬度 [ショアA] | 60 (Shore A) |
| 製品ファミリー | SFF |
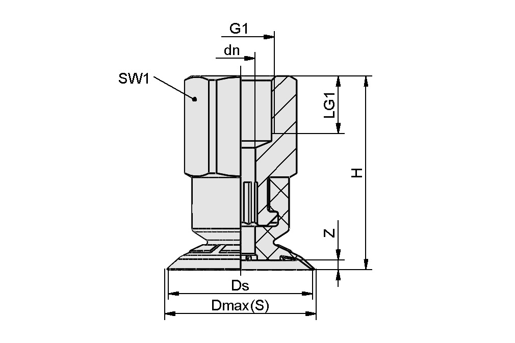
デザインデータ
デザインデータ
| 属性 | 値 |
|---|---|
| Dmax(S) | 26.5 mm |
| Ds | 25 mm |
| dn | 4 mm |
| G1 | G1/8-IG |
| LG1 | 8 mm |
| H | 27.2 mm |
| SW1 | 14 mm |
| Z(ストローク) | 1.7 mm |
テクニカルデータ
テクニカルデータ
| 属性 | 値 |
|---|---|
| 離脱力 | 17.9 N |
| 吸着力(-600mbar) | 17.9 N |
| ボリューム | 1.2 cm³ |
| サイズ | 25 |
| 折りたたみ式本数 | 0 |
| 真空パッドの材質 | 高温材質 HT1 |
| 材質の硬度 [ショアA] | 60 Shore A |
| 質量 | 7.1 g |
| 製品ファミリー | SFF |
CADデータ
CADデータ
使いやすいライブCADモデル
ダウンロードボタンをクリックすると、様々なファイル形式でCADモデルをダウンロードすることができます。このページでプレビューが正しく表示されない場合は、「再読み込み」ボタンをクリックしてください。
ドキュメント
ドキュメント


