Schmalz

後でもう一度お試しいただくか、最寄りの担当者までご連絡ください。

  • 廃止品目

SPB4f 50 SI-55 G1/2-IG

製品コード: 10.01.06.03557

凹凸のあるワークの搬送に適したベローズ真空パッド

サイズ50
真空パッドの材質シリコーンゴム SI
材質の硬度 [ショアA]55 (Shore A)
スレッドG1G1/2"-F
折りたたみ式本数4.5

この項目は段階的に廃止された。

残念ながら、ご希望の商品はご注文いただけなくなりました。また、後継商品も現在ご用意がございません。代替品についてご不明な点がございましたら、いつでもお近くの担当者にお問い合わせください。

お問い合わせフォームへ
デザインデータ
Design image
属性
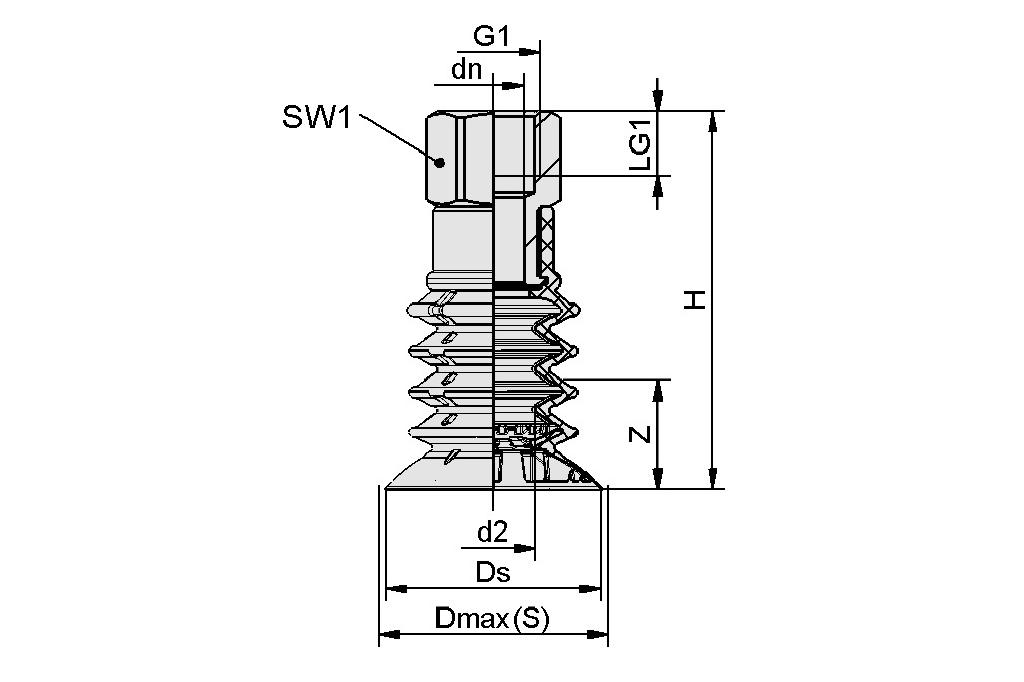
d2 21  mm
dn 15  mm
Dmax(S) 52  mm
Ds 49.7  mm
G1 G1/2"-F
H 86.5  mm
LG1 16  mm
SW1 27  mm
Z(ストローク) 26  mm
テクニカルデータ
属性
200 mbarでの吸着力 13.7  N
400 mbarでの吸着力 27.3  N
吸着力(-600mbar) 41  N
離脱力 35  N
ボリューム 33.11  cm³
ホース径(推奨) d 12  mm
折りたたみ式本数 4.5
真空パッドの材質 シリコーンゴム SI
材質の硬度 [ショアA] 55  Shore A
質量 50  g
製品ファミリー SPB4f
注記:吸着力:規定の吸着力は、-0.6 barの真空で、ワーク表面が乾燥し、平滑で均一な状態での理論値であり、安全係数は含まれていません:ホース径:推奨ホース径はホース長さ約2mでの値です。
ドキュメント

スペアパーツ

アクセサリ

Schmalz Companies

Select your Schmalz Company in one of the following regions:

Regions

Your region is not listed?

Schmalz maintains an international sales network with sales partners in over 80 countries. Please select a language for our international website.

アクセスしようとしているURLは、正しい言語または国のコンテキストではありません。

お客様のアカウントに関連付けられたストアのチャンネルが、要求されたURLのチャンネルと一致しません。価格の表示または注文を行うには、ユーザー固有のチャンネルに切り替えてください。

シュマルツへのお問い合わせ

0 商品がカートに入りました

ショッピングカートへ