FSGA 8 SI-55 M3-AG
製品コード: 10.01.06.05728
湾曲面への追従性に優れた真空パッド
| サイズ | 8 |
| 真空パッドの材質 | シリコーンゴム SI |
| 材質の硬度 [ショアA] | 55 (Shore A) |
| 材質種類 | FDA対応 |
| ニップル材質 | アルミ |
| 接続 | M3-M |
| 折りたたみ式本数 | 1.5 |
| 製品ファミリー | FSGA |
デザインデータ
デザインデータ
| 属性 | 値 |
|---|---|
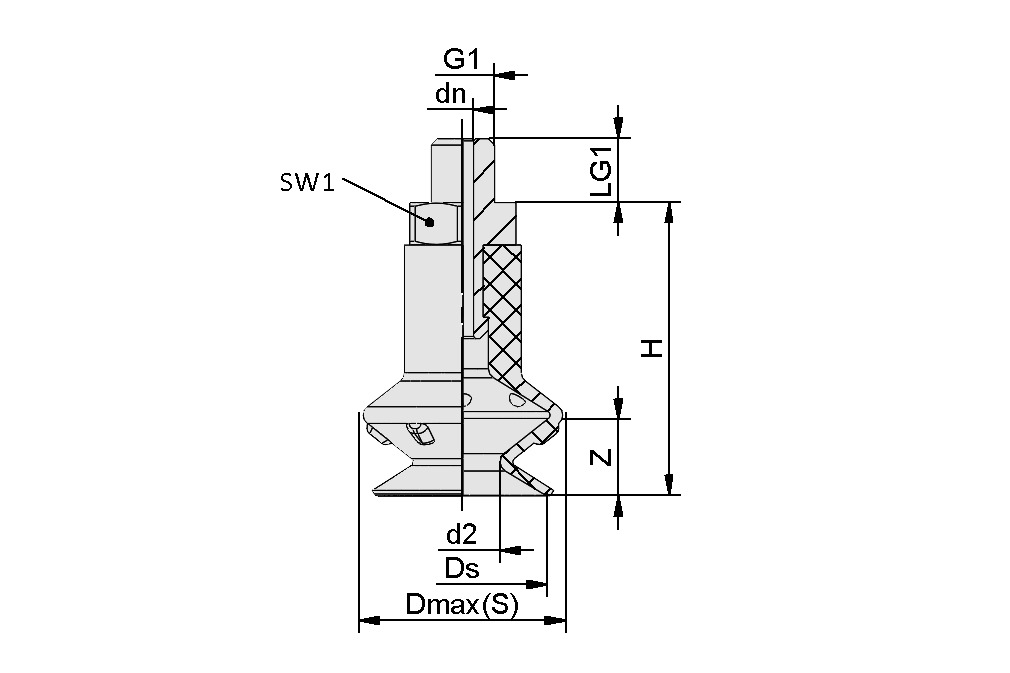
| d2 | 3.5 mm |
| Dmax(S) | 9.7 mm |
| dn | 1 mm |
| Ds | 8 mm |
| G1 | M3-M |
| H | 13.8 mm |
| LG1 | 3 mm |
| SW1 | 5 mm |
| Z(ストローク) | 3.6 mm |
テクニカルデータ
テクニカルデータ
| 属性 | 値 |
|---|---|
| 真空パッドの材質 | シリコーンゴム SI |
| 材質の硬度 [ショアA] | 55 Shore A |
| サイズ | 8 |
| 折りたたみ式本数 | 1.5 |
| 接続 | M3-AG |
| 最小ワーク半径(凸部) | 4 mm |
| ボリューム | 0.17 cm³ |
| 吸着力(-600mbar) | 0.58 N |
| 離脱力 | 1.7 N |
| 製品ファミリー | FSGA |
CADデータ
CADデータ
使いやすいライブCADモデル
ダウンロードボタンをクリックすると、様々なファイル形式でCADモデルをダウンロードすることができます。このページでプレビューが正しく表示されない場合は、「再読み込み」ボタンをクリックしてください。
ドキュメント
ドキュメント





