SHFN 70 NK-45 G1/4-IG MOS
製品コード: 10.01.01.11692
木材等の荒い表面に適したフラット真空パッド
サイズ | 70 |
真空パッドの材質 | 天然ゴム NK |
材質の硬度 [ショアA] | 45 (Shore A) |
ニップル材質 | アルミ |
接続 | G1/4-IG |
デザインデータ
デザインデータ

属性 | 値 |
---|---|
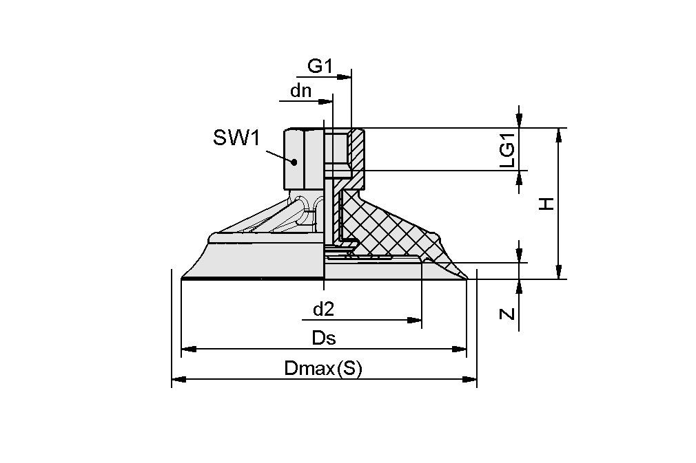
d2 | 36 mm |
dn | 4.4 mm |
Dmax(S) | 74 mm |
Ds | 70 mm |
G1 | G1/4"-F |
H | 37.2 mm |
LG1 | 11 mm |
SW1 | 17 mm |
Z(ストローク) | 4 mm |
テクニカルデータ
テクニカルデータ
属性 | 値 |
---|---|
サイズ | 70 |
真空パッドの材質 | 天然ゴム NK |
吸着力 d2 | 100 N |
吸着力(-600mbar) | 200 N |
水平方向の力 | 145 N |
ボリューム | 12.8 cm³ |
最小ワーク半径(凸部) | 95 mm |
ホース径(推奨) d | 6 mm |
折りたたみ式本数 | 0 |
質量 | 31.5 g |
製品ファミリー | SHFN |
CADデータ
CADデータ
使いやすいライブCADモデル
ダウンロードボタンをクリックすると、様々なファイル形式でCADモデルをダウンロードすることができます。このページでプレビューが正しく表示されない場合は、「再読み込み」ボタンをクリックしてください。
ドキュメント
ドキュメント