- 新規
SUF 6 EPDM-ECO-55 M5-IG
製品コード: 10.01.01.16038
業界: ユニバーサル
| サイズ | 6 |
| 真空パッドの材質 | EPDM-ECO |
| 材質の硬度 [ショアA] | 55 (Shore A) |
| 製品ファミリー | SUF |
デザインデータ
デザインデータ
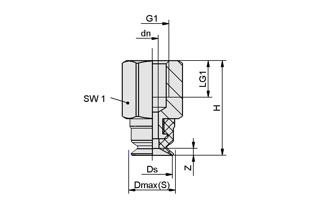
| 属性 | 値 |
|---|---|
| Dmax(S) | 6.8 mm |
| Ds | 6 mm |
| dn | 1.8 mm |
| G1 | M5-F |
| H | 14.2 mm |
| LG1 | 5.5 mm |
| SW1 | 8 mm |
| Z(ストローク) | 0.6 mm |
テクニカルデータ
テクニカルデータ
| 属性 | 値 |
|---|---|
| 吸着力(-600mbar) | 1.4 N |
| 離脱力 | 1.4 N |
| ボリューム | 0.02 cm³ |
| 最小ワーク半径(凸部) | 8 mm |
| ホース径(推奨) d | 2 mm |
| サイズ | 6 |
| 真空パッドの材質 | EPDM-ECO |
| 材質の硬度 [ショアA] | 55 Shore A |
| 質量 | 1.1 g |
| 製品ファミリー | SUF |
| 折りたたみ式本数 | 0 |
CADデータ
CADデータ
使いやすいライブCADモデル
ダウンロードボタンをクリックすると、様々なファイル形式でCADモデルをダウンロードすることができます。このページでプレビューが正しく表示されない場合は、「再読み込み」ボタンをクリックしてください。
ドキュメント
ドキュメント


